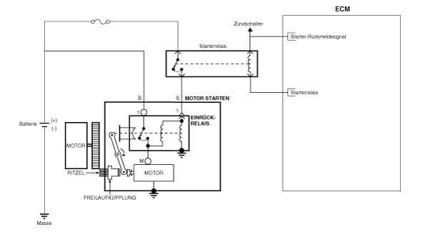
Kia Sportage: Anlassersystem / Anlasser Schematische darstellungen

Beschreibung
Das Anlasssystem besteht aus Batterie, Anlasser, Magnet-, Zünd- und Sperrschalter
(A/T), Zündschlossschalter, Kupplungsschalter (M/T) Verbindungskabeln und Batterieka ...
Ausbau
1.
Minuspol von der Batterie abklemmen.
2.
Luftfiltereinheit ausbauen.
(Siehe Motormechanik - "Luftfilter)
...
Kia Sportage Andere Informationen:
1. Drücken Sie die Taste [AUDIO] auf
dem Bedienfeld.
2. Wenn das Fenster zum Auswählen
der Betriebsart angezeigt wird,
drehen Sie den Regler [TUNE], um
die gewünschte Radiobetriebsart zu
wählen, und drücken dann den
Regler.
Betriebsart FM/AM
(1) Aktuelle Radiobetriebsart
(2) ...