Kia Sportage: Anzeiger und messuhren / Instrumentenblock Schematische darstellungen



BAUTEILE-ÜBERSICHT
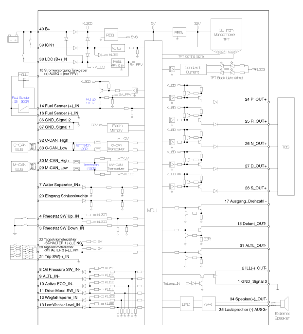
[Standardtyp (3,5")]
[Super Vision-Typ (4,3")]
BELEGUNG DER STECKERKLEMMEN
Nr.
Beschreibung
N ...
Beschreibung
Diagramm des Kommunikationsnetzwerks
ABKÜRZUNG
Erläuterung
ACU
Airbag-Steuereinheit
ABS ...
Kia Sportage Andere Informationen:
Wenn das System den Endzustand
erreicht hat und das Fahrzeug nicht mehr
angelassen werden kann, lässt sich
dieser Zustand nur noch rückgängig
machen, indem der Harnstofftank
aufgefüllt wird oder die Störungen
behoben werden. Wenn sich das
Fahrzeug nicht mehr starten lässt und
...