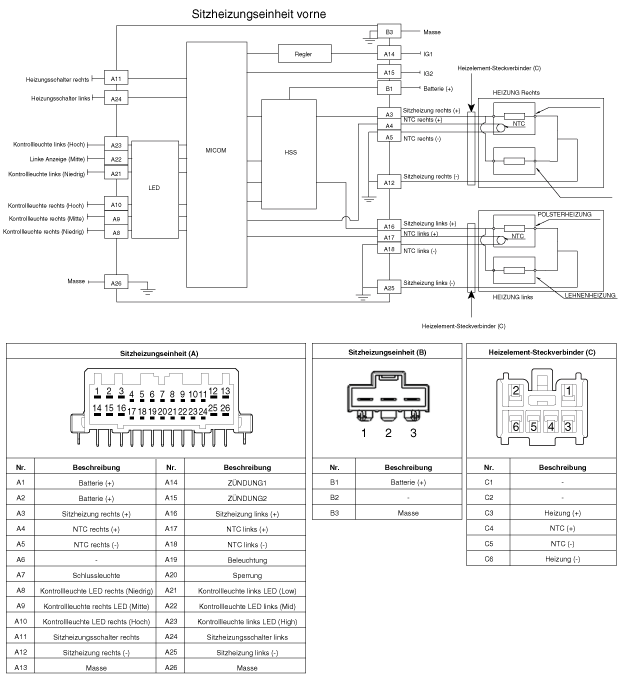
Kia Sportage: Sitzelektrik / Sitzheizung Schematische darstellungen


BAUTEILE-ÜBERSICHT
Vordersitzheizung
1. Sitzheizungseinheit (nur Beifahrersitz)
2. Vordersitzlehnenheizung
3. Vordersitzpolsterheizung
...
PRÜFUNG
Vordersitzheizung
1.
Auf Durchgang prüfen und den Widerstand zwischen Klemme Nr. 4 und Nr.
6 messen.
Standardwer ...
Kia Sportage Andere Informationen:
PRÜFUNG
1.
KDS/GDS an Diagnosesteckverbinder (DLC) anschließen.
2.
Die Zündung einschalten :
3.
Ausgangsspannung APS 1 und 2 im Leerlauf und bei vollständig geöffneter
Drosselklappe prüfen.
...