Kia Sportage: Intelligentes Schlüsselsystem / Smart Key-Einheit Schematische darstellungen


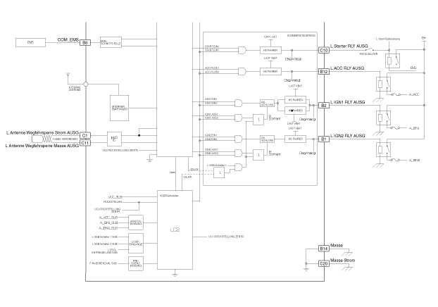
BAUTEILE-ÜBERSICHT
BELEGUNG DER STECKERKLEMMEN
Nr.
STECKER A
STECKER B
STECKER C
1
Batterie (+) ...
Ausbau
Smart Key-Einheit
Darauf achten, dass Innenverkleidungen und andere Bauteile nicht verkratzt
wer ...
Kia Sportage Andere Informationen:
Beschreibung
Der Kombiinstrument-Ionisierer zersetzt schlechte Gerüche, die durch die Klimaanlage
oder die einströmende Luft erzeugt werden. Außerdem reinigt er die Luft im Inneren
eines Fahrzeugs.
Bei "eingeschalteter" Zündung läuft der Ionisierer im " ...